ads/auto.txt

Mp3 Player Circuit Diagram Free Download

Schematic Diagram Of A Usb Player Usb Player Usb Mp3 Player Usb Speakers

Schematic Diagram Of A Usb Player Usb Player Usb Mp3 Player Usb Speakers

Usb Mp3 Player Usb Mp3 Player Usb Mp3 Usb Music Player

Usb Mp3 Player Usb Mp3 Player Usb Mp3 Usb Music Player

Enter Image Description Here Arduino Arduino Mp3 Player Microcontrollers

Enter Image Description Here Arduino Arduino Mp3 Player Microcontrollers

Electronicabc Com Electronic Schematics Circuit Diagram Electronic Circuit Projects

Electronicabc Com Electronic Schematics Circuit Diagram Electronic Circuit Projects

Click On The Link For Free Download This Picture Is A Preview Of Peavey Pv 1500 Circuit Diagram Audio Amplifier Circuit

Click On The Link For Free Download This Picture Is A Preview Of Peavey Pv 1500 Circuit Diagram Audio Amplifier Circuit

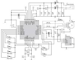
Pcm2706 Soundcard Schematic Usb Headphones Electronic Schematics Usb Player

Pcm2706 Soundcard Schematic Usb Headphones Electronic Schematics Usb Player

Pcm2706 Soundcard Schematic Usb Headphones Electronic Schematics Usb Player

Free schematic diagram download electronic schematics amplifier circuit diagrams amp schematics wiring electronics diagram guitar wiring diagrams tube amp wiring amplifier schematics download.

Mp3 player circuit diagram free download. Besides the usb mp3 module you get two 3 5mm female jack sockets usb female cable or port ir receiver and 5v regulated dc supply in the kit for this diy project. Service manual electronic circuits schematics diagram for free. Mp3 player circuit diagram and explanation.

Car stereo wiring. Many students request this schematic many student projects have a scope of work where using this design is legitimate like this student project where they tried to write atapi drivers for student projects which mandate original hardware design work not just construction or modification of an existing design using. Schematic diagrams mp3 player circuit board rev c student project alert.

Downloadable pdf service manuals repair manuals schematics parts lists circuit diagrams disassembly troubleshooting and service menu guides for hundreds of electronics brands. Circuit diagram for ic7805 ready to use 7805 power supply for mp3 player usb mp3 player circuit diagram pdf diagram for mp3 player i suggest you must buy ready to use audio board from any local store but i publish here audio circuit for your knowledge usb mp3 player circuit diagram pdf. This module is an electronic circuit equipped with a front cover you can use to access the command keys besides a connector for usb pen drives and the slot for.

This versatile module features usb player sd card player fm player and an auxiliary input. Thanks a lot for buying this mp3 player project. Just connect the components as mentioned in the text below.

The circuit diagram shown above will show how we can connect push button to the mp3 module so that we can control the track and volume. Cambridge alpha9 9p integrated amplifier service manual cambridge audio a500 integrated amplifier schematic cambridge audio azur 340a integrated amplifier service manual cambridge audio azur 340a se integrated amplifier service manual cambridge audio azur 640a power amplifier service manual cambridge. Cd player adapter for car.

Cambridge audio diagrams schematics and service manuals download for free. The whole project is based on the integrated player module 2846 mp3fmbt which for what concerns the audio files decoding is capable of reading mp3 wma and wav formats microsoft windows audio files. This kit allows you to create a full customized mp3 player build completely to you wishes.

Basic Crt Tv Application Schematic Switched Mode Power Supply Crt Tv Power Supply Circuit

Basic Crt Tv Application Schematic Switched Mode Power Supply Crt Tv Power Supply Circuit

Power Supplies Electronic Circuits Tv Schematics Audio In 2020 Electrical Circuit Diagram Electronic Schematics Electronic Circuit Projects

Power Supplies Electronic Circuits Tv Schematics Audio In 2020 Electrical Circuit Diagram Electronic Schematics Electronic Circuit Projects

20 Electrical Wiring Diagram Software Design Https Bacamajalah Com 20 Electrical Wiring Dia Circuit Diagram Electrical Wiring Diagram Electronic Schematics

20 Electrical Wiring Diagram Software Design Https Bacamajalah Com 20 Electrical Wiring Dia Circuit Diagram Electrical Wiring Diagram Electronic Schematics

Proel Next 12hba Preamp Sch Service Manual Download Schematics Eeprom Repair Info For Electronics Experts Audio Amplifier Amplifier Class D Amplifier

Proel Next 12hba Preamp Sch Service Manual Download Schematics Eeprom Repair Info For Electronics Experts Audio Amplifier Amplifier Class D Amplifier

Sony Mcz3001d Audio Power Service Manual Download Schematics Eeprom Repair Info For Electronics Experts Sony Free Ebooks Download Books Electronics

Sony Mcz3001d Audio Power Service Manual Download Schematics Eeprom Repair Info For Electronics Experts Sony Free Ebooks Download Books Electronics

Pin On Video

Pin On Video

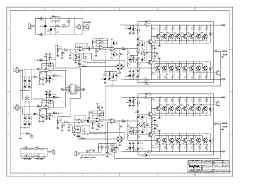
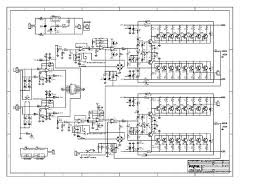
Power Amplifier Apex H900 Efficient Flat And Powerful Power Amplifiers Electronics Circuit Audio Amplifier

Power Amplifier Apex H900 Efficient Flat And Powerful Power Amplifiers Electronics Circuit Audio Amplifier

Power Amplifier Apex H900 Efficient Flat And Powerful Power Amplifiers Electronics Circuit Audio Amplifier

Power Amplifier Apex H900 Efficient Flat And Powerful Power Amplifiers Electronics Circuit Audio Amplifier

Pin On Audio System

Pin On Audio System

Proel Next 12hba Preamp Sch Service Manual Download Schematics Eeprom Repair Info For Electronics Experts Arxagg Audio Amplifier Amplifier Class D Amplifier

Proel Next 12hba Preamp Sch Service Manual Download Schematics Eeprom Repair Info For Electronics Experts Arxagg Audio Amplifier Amplifier Class D Amplifier

Pin On Imagens

Pin On Imagens

Pin Di كروس اوفر

Pin Di كروس اوفر

300w Subwoofer Power Amplifier Amplifiercircuits Com Rangkaian Elektronik Elektronik

300w Subwoofer Power Amplifier Amplifiercircuits Com Rangkaian Elektronik Elektronik

200w Super Simple Power Amplifier Power Amplifiers Audio Amplifier Hifi Amplifier

200w Super Simple Power Amplifier Power Amplifiers Audio Amplifier Hifi Amplifier

Source : pinterest.com